ตามรอยเซียน โดย เจี๊ยบ บางกรวย “เกศบัวตูมวัดระฆัง ”
วันก่อนเดินตลาดนัดแถวบ้าน เจอแผงพระวางขาย เซียนเจี๊ยบเข้าไปชม เผื่อเจอพระที่ชอบเลือกพ่อค้าที่ใช่ ดูพ่อค้าที่พอเป็นพระ เรื่องเล่าพอฟังได้บ้าง คนขายบอกผมหาพระชาวบ้าน ช่วงนี้เศรษฐกิจไม่ดี คนเอาพระมาขายให้เยอะ บางทีให้เหมาก็มี แล้วหันมาบอกขายไม่แพง พระวัดใจ ชอบบอกได้นะซื้อหลายองค์เดี๋ยวลดให้


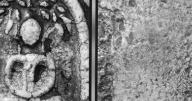
เป็นที่มาของพระสมเด็จวัดระฆังพิมพ์เกศบัวตูมวันนี้ เหมือนเพิ่งกดพระมาใหม่ๆ ผิวพระฝ้าขาว นวลตาที่ถุกสัมผัสออกเหลือง เนื้อนุ่มหนึกตาส่องได้ทั้งวันไม่เบื่อ ในความนุ่มของเนื้อพระสมเด็จต้องมีความแข็ง ถ้าเนื้ออ่อนยุ่ยเก๊เลย คุณสัมบัติของปูนเปลือกหอยตังอิ๋วกับส่วนผสมของเนื้อ ทำให้เนื้อพระยึดติดกันแน่นเหนียวไม่เปราะหักง่าย พระมีน้ำหนักหน่วงมือ ก้อนดำ เม็ดแดง ก้อนเทา ต้องมีให้เห็นมากไปตั้งใจทำ ต้องมีพอให้เห็น มีดีกว่าไม่มี เป็นจุดเพิ่มความแท้ ด้านหลัง มีเศษชิ้นรักฝังลงในเนื้อ รอยปริ รอยยุบ ดำด่าง แบบนี้เป็นธรรมชาติ ของพระสมเด็จที่ลงรักมาในอดีต ข้างขอบตัด มีร่องแตกหลุมรัก เรียบนูน ไม่เสมอกันแบบนี้ จ่ายตังค์ขึ้นคอเลย เดินเจอพระดิบๆแบบนี้ไม่แพงซื้อไว้ก่อน ถ้าได้แท้สวยแพงมาก เพราะคนจะดูพระสมเด็จต้องเนื้อจัดหนึกหนุ่ม แบบนี้เป็นพระที่ถูกใช้มา พระสมเด็จแท้ก็แค่นี้แหละ
พระอาจารย์บอกพระสมเด็จแท้ดิบดูยาก พระที่ใช้สึกช้ำดูง่าย แต่ถ้าดูเป็นแบบพระสมเด็จวัดระฆังเกศบัวตูมองค์นี้ เหมือนถูกรางวัลที่1นะเธอ

เจี๊ยบบางกรวยเดินตามรอยพระอาจารย์ 087 0030897
